进口水泵
新闻资讯
相关产品
进口铸铁气动隔膜泵
- 订购说明:
- ·克莱产品:如有指定型号标准,请直拨销售热线咨询价格,了解详情!
- ·技术支持:如没有指定产品型号规格,请把工况要求、设计图纸、技术规范,发送传真或邮件至本公司。
- ·产品订货参数:通径(DN),公称压力(Mpa),温度(℃),连接方式(螺纹、法兰、对夹等)。
- ·产品驱动方式:手动、蜗轮、气动、电动等。
- ·产品标准:国标GB、日标JIS、美标ANSI、德标DIN、英标BS、欧标EN等。
- ·报价确认:本公司提供报价清单及技术标准说明至客户确认,在双方技术各方面确认后再拟定合同。
- ·阀门质量要求、质量标准、供方对质量负责的条件:按国家有关质量标准。
产品介绍一、进口铸铁气动隔膜泵产品详情
德国克莱泵阀生产的KLBY系列气动隔膜泵是一种新型输送机械,采用压缩空气为动力源,对于各种腐蚀性液体,带颗粒的液体,高粘度、易挥发、易燃、剧毒的液体,均能予以抽光吸尽。其性能参数与联邦德国的WLLDENPVMPS、美国的MARlOWPUMPS相近。
二、进口铸铁气动隔膜泵技术参数
流量:0-30m3/h
扬程:0-40m
口径:10-100mm
温度:-15-+120℃
压力:0.1-0.7MPa
自吸高度:5m
三、进口铸铁气动隔膜泵工作原理
1、该钢的淬透性良好, 碳化物分布均匀, 具有一定的冲击腑和较好的耐磨性;具有良好的空淬性能, 空淬后尺寸变形小,碳化物均匀细小, 耐磨性好;另外也保证了泵体的物理性能,出口可耐压8公斤。对于一些板框压滤机、工地泥沙、废油渣的抽送是一种绝佳的水泵选择;
2、新一代气动隔膜泵配气装置内置,做到了真正的不卡气、无死机,外观更加美观大方;空气利用率大大提高,自吸功能和流量扬程都有很大改善。进口铸钢气动隔膜泵对于抽油类介质有独特的耐腐优势,气动隔膜泵价格也相对便宜;只要有气源,把气管查到进口气动隔膜泵的进气阀,它就可以工作,极大显示了新一代气动隔膜泵的超强移动性能。
四、进口铸铁气动隔膜泵优势特点
进口KLBY气动隔膜泵既能抽送流动的液体,又能输送一些不易流动的介质,具有自吸泵、潜水泵、屏蔽泵、泥浆泵和杂质泵等瑜送机械的许多优点。
1、不需灌引水,吸程高达7M,扬程达50M,出口压力≥6kgf/cm2;
2、流动宽蔽,通过性能好,允许通过最大颗粒,直径达10mm抽送泥浆、杂质时,对泵磨损甚微。3、扬程、流量可通过气阀开度实现无级调节。(气压调节在1-7kg/cm2之间);
3、该泵无旋转部件,没有轴封隔膜将抽送的介质与泵的运动部件,工作介质完全隔开,所输送的介质不会向外泄漏。所以抽送有毒,易挥发或腐蚀性介质时,不会造成环境污染和危害人身安全;
4、不必用电,在易燃、易爆场所使用安全可靠;
5、可以浸没在介质中工作;
6、使用方便、工作可靠、开停泵只需简单地打开和关闭气体阀门,即使由于意外情况而长时间地无介质运行或突然停机,泵也不会因此而损坏,一旦超负荷,泵便会自动停机,具有自我保护性能,当负荷恢复正常以后,又能自动启动运行;
7、结构简单、易损件少,该泵结构简单、安装、维修方便,泵输送的介质不会接触到配气阅,联杆等运动部件,不象其他类型的泵因转子、活塞、齿轮、叶片等部件的磨损而使性能逐步下降;
8、可输送较粘的液体。(粘度在1万厘泊以下);
9、本泵无须用油润滑,即使空转,对泵也无任何影响。这是该泵一大特点。
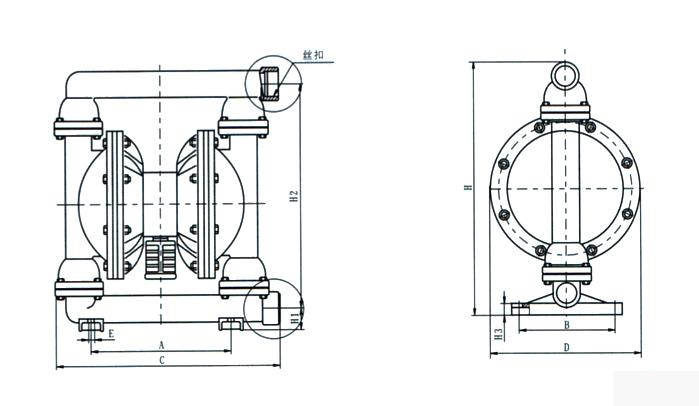
五、进口铸铁气动隔膜泵型号尺寸

| 型号 | A | B | C | D | E | H1 | H2 | H3 | G | 丝扣 | 备注 |
| KLBY-10 | 120 | 58 | 210 | 140 | 10 | 40 | 255 | 12 | 270 | 3/8” | 工程塑料、氟塑料 |
| KLBY-15 | 120 | 58 | 210 | 140 | 10 | 40 | 255 | 12 | 270 | 1/2” | |
| KLBY-10 | 120 | 0 | 210 | 140 | 12 | 30 | 220 | 10 | 240 | 3/8” | 铸铁、不锈钢、铝合金 |
| KLBY-15 | 120 | 0 | 210 | 140 | 12 | 30 | 220 | 10 | 240 | 1/2” |
本文中所述文字、数据、品牌、图片仅用于参考,如需查看更多的进口铸铁气动隔膜泵型号参数、结构原理、价格等详情请联系我们。
- 上一篇:进口铸钢气动隔膜泵
- 下一篇:暂无








客服QQ:204958253